Current and past projects, by company.

 
 

Manufacturer of High Quality Sliding Patio Doors

 

Have contracted me to reverse engineer their existing product line into 3D models, which will allow them to prototype new design changes before costs are incurred.  My work for them also includes creating assembly and production drawings, and redesigning products.

 

 

 
ALUMINUM DOOR ASSEMBLY

ALUMINUM DOOR ASSEMBLY

LH JAMB REMOVED

LH JAMB REMOVED

SILL & SCREEN REMOVED

SILL & SCREEN REMOVED

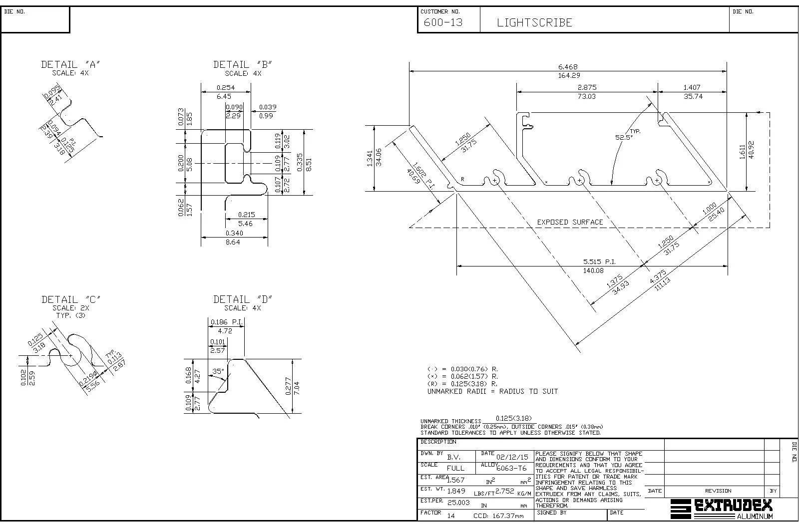
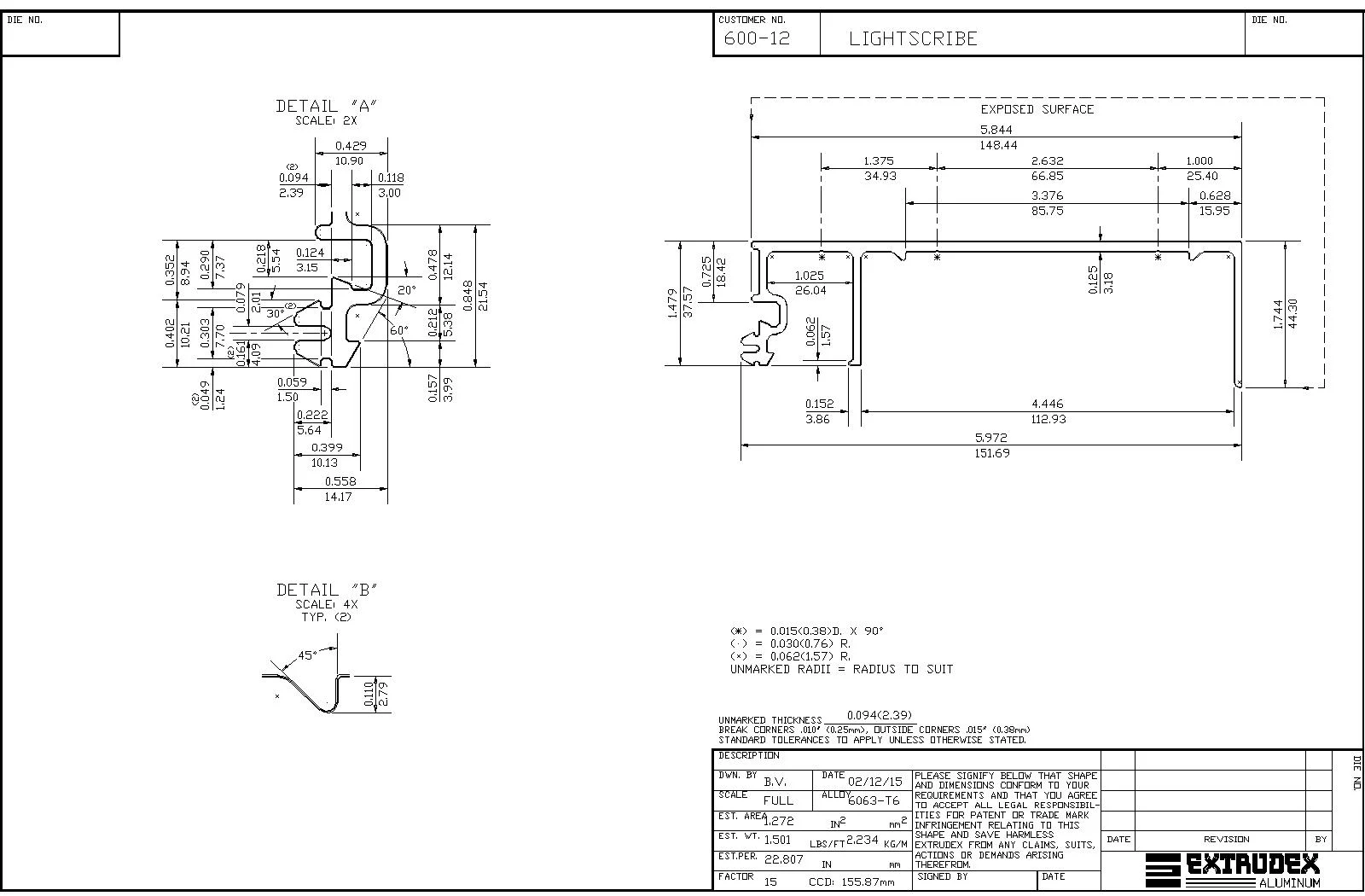
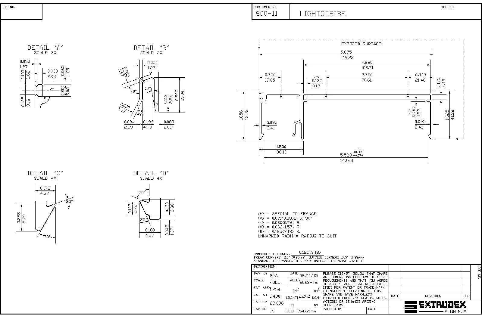
A Leader in Aluminum Extrusions

 

Extrudex, needing to turn around large projects quickly, have contracted with me to provide them with cross-section profile drawings in a timely and accurate manner.

 

 
SAMPLE 1

SAMPLE 1

SAMPLE 2

SAMPLE 2

SAMPLE 3

SAMPLE 3

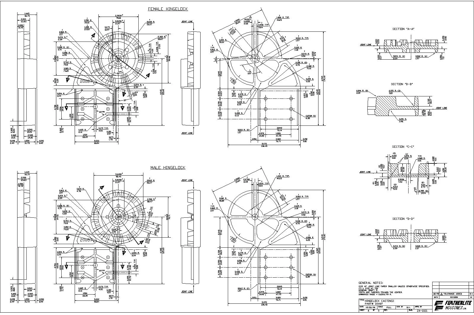
Manufacturers of Ladders for Industrial Applications

 

For this past project, I was responsible for designing and creating all shop drawings, parts, and custom hardware, along with general arrangement assembly drawings for new products and existing inventory.
 

 

 

 
HINGELOCK CASTINGS

HINGELOCK CASTINGS

GENERAL ARRANGEMENT

GENERAL ARRANGEMENT

EXTENSION "D" RUNG FOOT ASS'Y.

EXTENSION "D" RUNG FOOT ASS'Y.